927832872@qq.com
Cont

有任何疑问?

15996414832/

圳恒通ZHT104C系列电流互感器

圳恒通ZHT104C系列电流互感器

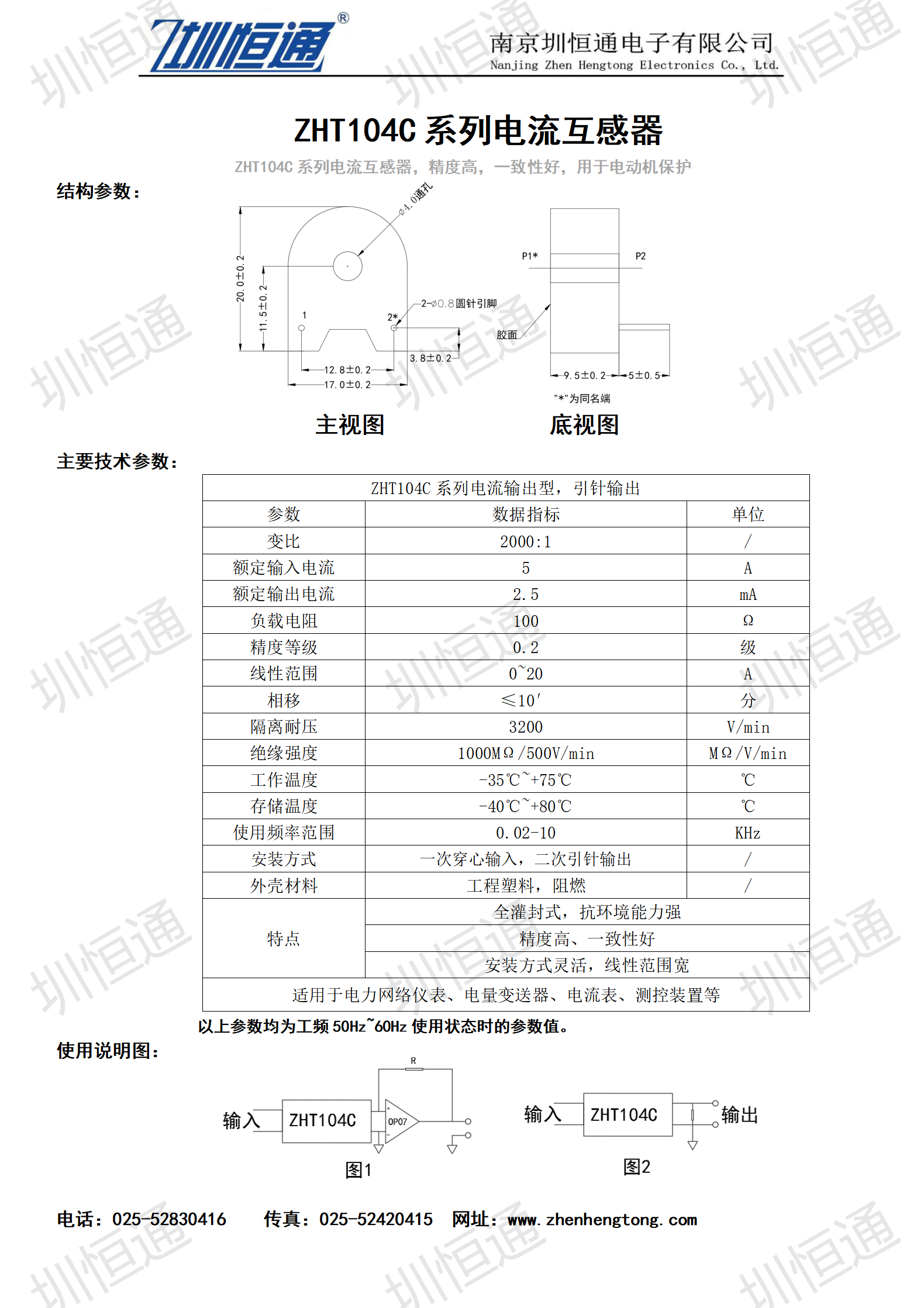
产品介绍:圳恒通ZHT104C系列电流互感器,体积小,精度高,一致性好,适用于电力网络仪表,电量变送器,电流表,测控装置好。电流互感器采用环氧树脂灌封,可适用于较恶劣的环境中,对初级电流信号进行精准的变换与隔离。

产品详情

产品介绍:圳恒通ZHT104C系列电流互感器,体积小,精度高,一致性好,适用于电力网络仪表,电量变送器,电流表,测控装置好。电流互感器采用环氧树脂灌封,可适用于较恶劣的环境中,对初级电流信号进行精准的变换与隔离。

圳恒通ZHT104C系列电流互感器1.png

发送询盘